Ребят, у меня та же поломка, только ещё и маслом ремень залит. 75 киловатт, 2002 год, Т4, ACV, 2.5tdi. Где находятся метки я понимаю, но как их поставить на место? Особенно если од......
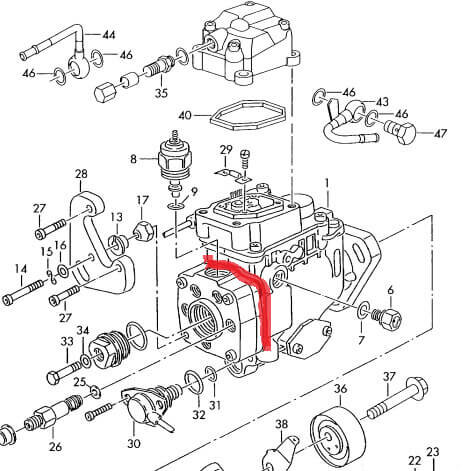
Как добавить топливо на ТНВД Транспортер т4 дв. ACV 1998 г.?...
Ищу защиту ремня ТНВД на VW T4 двиг.AXG. Подскажите где купить или подскажите номер детали по каталогу....
Где можно найти чертеж переходника для индикатора часового типа, для регулировки ТНВД при замене ремней?...
Здравствуйте. Подскажите, пожалуйста, недостаточной регулировки наддува во впускном коллекторе (молчит турбина) из-за регулировки ТНВД. Как настроить?...
Ремонт ТНВД вопрос специфический, требующий специальных знаний и оборудования. Попробуйте найти какой нибудь дизель клуб. Простые сервисы возят ТНВД в специализированные мастерские, что там с ними делают нам не ведомо, просто платим деньги.

Какую присадку лить в дизель зимой
Присадки в бензин
Ремонт ТНВД Bosch
При какой температуре замерзает солярка
Как проверить адсорбер
Неисправности ТНВД
Присадка для дизельных форсунок
Замена ремня ГРМ и ТНВД на VW Transporter 2.5 TDI (ACV)
Размораживатель для дизельного топлива