Перед сборкой проверить корпус на наличие загрязнений (остатки лака, стружки, грязи) и при необходимости тщательно почистить:
- Во время сборки очень внимательно следить за чистотой;
- Проверить направляющую цилиндра на наличие задиров и прочих повреждений. Если задиры значительны, полностью заменить рулевой механизм;
- Проверить зубчатую рейку на наличие задиров;
- Перед установкой смазать уплотнительные кольца маслом для гидросистем;
- Проверить, чтобы внутри корпус тела клапана -2- был абсолютно чистым;
- Запрессовать до упора уплотнительное кольцо тела клапана;
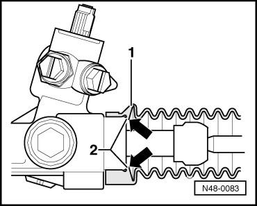
- 1 - Уплотнительное кольцо;
- Уплотняющий скос -стрелка- направлен вверх к инструменту. Место установки уплотнительного кольца в корпусе тела клапана. Скос уплотняющего кольца -стрелка- направлен вверх;
Для лучшего представления на рис. верхняя часть клапана показана в разрезе. Установка внутреннего уплотнительного кольца зубчатой рейки.
- Насадить уплотнительное кольцо -1- на инструмент;
- Смазать уплотнительное кольцо -1- маслом;
- Уплотнительное кольцо -1- настолько запрессовать в трубку цилиндра, чтобы канавка -стрелка- на инструменте была накрыта кромкой -стрелка A- корпуса.
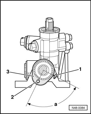
Место установки уплотнительного зубчатой рейки.
Опорное кольцо уплотнительного кольца направлено к корпусу тела клапана:
- 1 - Опорное кольцо;
- 2 - Уплотнительное кольцо;
- 3 - Корпус тела клапана.
Для лучшего представления на рис. корпус показан в разрезе. Если на зубчатой рейке заметны подверженные коррозии места или глубокие задиры, ее немедленно заменить.
Заключение о том, повреждена ли зубчатая рейка вследствие силового воздействия, например, из-за аварии, на основе такого визуального осмотра сделать нельзя.
Если на зубчатой рейке ощутимо заметны слабые задиры -стрелки-, глубина которых такова, что их можно убрать шлифовальной бумагой (зернистость 350…600), рейку можно использовать повторно:
- Обрабатывать зубчатую рейку шлифовальной бумагой в радиальном направлении. (Только при неглубоких задирах);
Проверить фаски на торцах зубчатой рейки на наличие повреждений, при необходимости устранить оселком и/или шлифовальной бумагой:
- 1 - Зубчатая рейка;
- 2 - Шлифовальная бумага (зернистость 350…600);
- 3 - Защитные губки тисков;
Если снятая рейка будет использована, проверить уплотнительное кольцо на наличие бороздок (визуальный осмотр). При заметных или существенных бороздах заменить это кольцо и расположенное за ним уплотнительное кольцо круглого сечения.
- Смазать зубчатую рейку маслом (защита от коррозии).
Замена уплотнительного кольца зубчатой рейки:
- Сжать клещами с малым усилием уплотнительное кольцо;
- Отжать это кольцо и уплотнительное кольцо круглого сечения;
- A - Распорные клещи (универсальные);
- 1 - Зубчатая рейка с поршнем;
- 2 - Уплотнительное кольцо;
- 3 - Уплотнительное кольцо круглого сечения;
Установка уплотнительного кольца на поршень зубчатой рейки:
- Насадить монтажную втулку на зубчатую рейку;
- Насадить уплотнительное кольцо круглого сечения на инструмент и вставить в канавку поршня;
- Смазать уплотнительное кольцо маслом, насадить на инструмент и вставить в канавку поршня;
Установка зубчатой рейки:
- Очистить зубчатую рейку и смазать (убрать старую смазку между зубьями);
- Смазать зубчатое зацепление рейки смазкой для рулевого механизма -A0F 063 000 04-;
- Насадить до упора защитную трубку на зубчатую рейку -1-;
- Полностью удалить избыточную смазку;
- Смазать поршень рейки и защитную трубку маслом для гидросистем;
- Вставить направляющую втулку -3315/22- в корпус;
- Вставить зубчатую рейку в корпус;
Во врема вставки проследить за тем, чтобы уплотнительное кольцо, без зажатия, вдавилось в канавку поршня.
- Медленно ввести зубчатую рейку в корпус;
- Снять защитную трубку -3315/13- с зубчатой рейки;
- Зубчатое зацепление рейки выровнять таким образом, чтобы оно было направлено к зацеплению шестерни;
- Навинтить монтажную втулку -3315/18- на зубчатую рейку и смазать маслом;
- Осторожно вставить через зубчатую рейку ее направляющую -1- в корпус до упора;
- Полностью вдвинуть зубчатую рейку в корпус, если этого еще не произошло;
- Вставить стопорную шайбу в корпус и вдавить настолько, чтобы канавка в стопорной шайбе была видима в удлиненном отверстии корпуса;
- Вставить стопорное кольцо в отверстие стопорной шайбы -стрелка-;

- 1 - Контровочная проволока, в ремонтном комплекте не в форме кольца, поставляется как прямолинейная проволока;
- 2 - Клещи (универсальные);
- Запрессовать осторожно нижний шарикоподшипник тела клапана до упора;
- Смазать смазкой для рулевых механизмов A0F 063 000 04;
- Навинтить монтажную выколотку -3315/15- на тело клапана;
- Смазать тело клапана маслом и осторожно вручную вставить в корпус тела клапана. (Учесть положение зубчатой рейки);
- Зубчатый обод тела клапана обклеить изолентой (например, изолентой на основе синтетической плёнки) для защиты уплотнительного кольца. Избегать образования складок;
- Установить верхний роликоподшипник тела клапана. (Надпись на роликоподшипнике направлена вверх);
- A - Изолента;
- B - Тело клапана;
- Запрессовать уплотнительное кольцо настолько, чтобы в корпусе была видна канавка стопорного кольца;
- Вставить стопорное кольцо;
- Снять клеящую пленку/изоленту;
- Отвинтить монтажную выколотку -3315/15-;
- Привинтить шестигранную гайку тела клапана и затянуть (30 Нм, придерживать гаечным ключом SW 14);
- Вкрутить резьбовую заглушку (40 Нм);
- Смазать упор смазкой для рулевых механизмов -A0F 063 000 04-;
- Вставить упор и пружину в корпус;
- Ввинтить контргайку с регулировочным винтом;
- Метки -стрелка- регулировочного винта и контргайки после затягивания должны быть согласованы. Если устанавливалась новая зубчатая рейка, отрегулировать рулевой механизм с усилителем с новой рейкой;
- Отрегулировать рулевой механизм в установленном состоянии;
- Очистить клеящие поверхности в области удлиненного отверстия растворителем (например, нитрорастворителем -L 160- или спиртом);
- Заполнить удлиненное отверстие герметиком -AKL 450 005 05-;
- Заклеить отверстие изолентой -1-;
Если заменялась зубчатая рейка, то перед установкой поперечных тяг отрегулировать рулевой механизм. Установить поперечные тяги:
- Зажать рулевой механизм с зубчатой рейкой в тисках и закрутить поперечную тягу;
Место установки гофрированного чехла:
- 1 - Гофрированный чехол;
- 2 - Корпус;
При установке чехла проследить за тем, чтобы борт -стрелки- чехла прилегал к корпусу.
Место установки хомута:
- 1 - Хомут;
- 2 - Уравнительная трубка;
- 3 - Гофрированный чехол;
- a - около 90°;
- Обжать хомут клещами -V.A.G 1275-.
- 
    
    
        Стук при повороте руля 
- 
    
    
        Рулевой наконечник — что это такое, устройство, неисправности, диагностика 
- 
    
    
        Регулировка развала схождения. Сход развал своими руками 
- 
    
    
        Машину тянет вправо 
- 
    
    
        Неисправность рулевых наконечников 
- 
    
    
        Кидает машину из стороны в сторону 
- 
    
    
        Смазка для шаровых опор и наконечников 
- 
    
    
        Как самому сделать развал схождение 
- 
    
    
        Рулевая рейка – устройство, принцип работы, причины и симптомы поломки 
- 
    
    
        Снятие и чистка бензонасоса на Volkswagen Golf 5 
- 
    
    
        Снятие радиатора Volkswagen Golf V 
- 
    
    
        Замена ремня ГРМ и помпы на VW Golf V 1.4 л ВСА 
- 
    
    
        Замена передних тормозных колодок Volkswagen Golf 5-6 
- 
    
    
        Замена сайлентблоков рычагов передней подвески VW Golf 5 
- 
    
    
        Разборка двери Гольф 5 
- 
    
    
        Снятие турбины с двигателя BKD 
- 
    
    
        Замена масла Гольф 5 
- 
    
    
        Замена амортизационных стоек Volkswagen Golf 5 




















 Стук при повороте руля
 
        Стук при повороте руля
     Рулевой наконечник — что это такое, устройство, неисправности, диагностика
 
        Рулевой наконечник — что это такое, устройство, неисправности, диагностика
     Регулировка развала схождения. Сход развал своими руками
 
        Регулировка развала схождения. Сход развал своими руками
     Машину тянет вправо
 
        Машину тянет вправо
     Неисправность рулевых наконечников
 
        Неисправность рулевых наконечников
     Кидает машину из стороны в сторону
 
        Кидает машину из стороны в сторону
     Смазка для шаровых опор и наконечников
 
        Смазка для шаровых опор и наконечников
     Как самому сделать развал схождение
 
        Как самому сделать развал схождение
     Рулевая рейка – устройство, принцип работы, причины и симптомы поломки
 
        Рулевая рейка – устройство, принцип работы, причины и симптомы поломки
     Снятие и чистка бензонасоса на Volkswagen Golf 5
 
        Снятие и чистка бензонасоса на Volkswagen Golf 5
     Снятие радиатора Volkswagen Golf V
 
        Снятие радиатора Volkswagen Golf V
     Замена ремня ГРМ и помпы на VW Golf  V 1.4 л ВСА
 
        Замена ремня ГРМ и помпы на VW Golf  V 1.4 л ВСА
     Замена передних тормозных колодок Volkswagen Golf 5-6
 
        Замена передних тормозных колодок Volkswagen Golf 5-6
     Замена сайлентблоков рычагов передней подвески VW Golf 5
 
        Замена сайлентблоков рычагов передней подвески VW Golf 5
     Разборка двери Гольф 5
 
        Разборка двери Гольф 5
     Снятие турбины с двигателя BKD
 
        Снятие турбины с двигателя BKD
     Замена масла Гольф 5
 
        Замена масла Гольф 5
     Замена амортизационных стоек Volkswagen Golf 5
 
        Замена амортизационных стоек Volkswagen Golf 5