После разрушения или удаления катализатора либо выхода из строя датчика кислорода (лямбда-зонда) двигатель работает в неоптимальном режиме из-за неправильной коррекции топливовоздушной смеси, а на панели приборов загорается индикатор Check Engine. Решить эту проблему позволяют различные способы обмана электронного блока управления.
Если датчик кислорода исправен – поможет механическая обманка лямбда-зонд, в случае его выхода из строя можно воспользоваться электронной. О том, как подобрать обманку лямбда-зонда или сделать её своими руками, читайте ниже.

Как работает обманка лямбда-зонда
Обманка лямбда-зонда – устройство, которое обеспечивает передачу в ЭБУ оптимальных показателей содержания кислорода в выхлопных газах, если реальные параметры им не соответствуют. Эта задача решается путем коррекции показаний действующего газоанализатора либо его сигнала. Оптимальный вариант выбирается в зависимости от экологического класса и модели автомобиля.
Обманки бывают двух видов:
- Механические (втулка-ввертыш или мини-катализатор). Принцип действия основан на создании барьера между кислородным датчиком и газами в выхлопной системе.
- Электронные (резистор с конденсатором или отдельный контроллер). Эмулятор ставится в разрыв проводки или вместо штатного ДК. Принцип работы обманки лямбда-зонда электронного типа заключается в имитации правильных показателей датчика.
Втулка-ввертыш (пустышка) позволяет успешно обмануть ЭБУ старых автомобилей, соответствующих экологическому классу не ниже Евро-3, а мини-катализатор подходит даже для современных автомобилей с нормами до Евро-6. В обоих случаях необходим исправный ДК, который ввинчивается в корпус обманки. Таким образом рабочая часть датчика оказывается окружена относительно чистыми газами и передает нормальные данные в ЭБУ.

Обманка лямбда-зонда – мини-катализатор (видна сетка катализатора)

Заводская настраиваемая обманка-эмулятор лямбда-зонда на микроконтроллере
Для электронной обманки на базе резистора и конденсатора важен не экологический класс, а принцип работы ЭБУ. К примеру, на Audi A4 этот вариант не работает – компьютер будет выдавать ошибку из-за некорректных данных. К тому же подобрать оптимальные параметры электронных компонентов не всегда удаётся. Электронная обманка с микроконтроллером самостоятельно имитирует работу датчика кислорода, даже при его отсутствии и полной неработоспособности.
Существует два вида самостоятельных электронных обманок с микроконтроллером:
- независимые, генерирующие сигнал нормальной работы лямбды;
- корректирующие показания по данным первого датчика.
Первый тип эмуляторов обычно используется на авто с ГБО старых поколений (до 3), где при езде на газе важно создать видимость нормальной работы датчика кислорода. Вторые устанавливаются после вырезания катализатора вместо второй лямбды и имитируют ее нормальную работу по показаниям первого датчика.
Как сделать самому обманку лямбда-зонда

Обманка лямбда-зонда своими руками: видео изготовления проставки
При наличии необходимого инструмента обманку лямбда-зонда можно сделать самому. Проще всего в изготовлении механическая втулка и электронный имитатор с резистором и конденсатором.
Для изготовления пустышки нужны:
- токарный станок по металлу;
- небольшая болванка бронзы или нержавейки (длина около 60–100 мм, толщина порядка 30–50 мм);
- резцы (отрезные, расточные и резьбонарезные) или резцы?, метчик и плашка.
Для изготовления электронной обманки лямбда-зонда потребуются:

Изготовление электронной обманки датчика кислорода своими руками: видео
- конденсаторы 1–5 мкФ;
- резисторы 100 кОм – 1 мОм и/или подстроечный с таким диапазоном;
- паяльник;
- припой и флюс;
- изоляция;
- коробочка для корпуса;
- герметик или эпоксидка.
Вытачивание ввертыша и изготовление простой электронной обманки, при наличии соответствующих навыков (токарка/пайка электроники) займут не больше часа. С двумя другими вариантами будет сложнее.
Далее будет рассказано, как сделать обманку лямбда-зонда после удаления катализатора, чтобы не возникало ошибок Check Engine с кодами P0130-P0179 (связаны с лямбдой), P0420-P0424 и P0430-P0434 (ошибки катализатора).
Схема электронной обманки
Электронная обманка лямбда-зонда работает по принципу искажения реального сигнала датчика на тот, который нужен для нормальной работы мотора. Есть два варианта системы:
- С резистором и конденсатором. Простая схема, позволяющая изменить форму электрического сигнала с ДК путем впаивания дополнительных элементов. Резистор служит для ограничения напряжения и тока, а конденсатор служит для устранения пульсаций напряжения на нагрузке. Такой тип обманки обычно используют после вырезания катализатора для имитации его наличия.
- С микроконтроллером. Электронная обманка лямбда-зонда с собственным процессором способна генерировать сигнал, имитирующий показания исправного датчика кислорода. Существуют зависимые эмуляторы, привязанные к первому (верхнему) ДК, и независимые, генерирующие сигнал без внешних указаний.
Первый вид используется для обмана ЭБУ после удаления или выхода из строя катализатора. Второй тоже может служить для этих целей, но чаще задействуется как обманка первого лямбда-зонда для нормальной езды с ГБО старых поколений.

Схема электронной обманки датчика кислорода
Электронная обманка лямбда-зонда, схема которой представлена выше, состоит всего из двух элементов и проста в изготовлении, но может потребовать подбора радиокомпонентов по номиналу.
Интеграция резистора и конденсатора в проводку

Электронная обманка лямбда-зонда на резисторе с конденсатором
Резистор и конденсатор в можно интегрировать на авто с двумя датчиками кислорода с экологическим классом Евро-3 и выше. Электронная обманка лямбда-зонда своими руками делается так:
- резистор впаивается в разрыв сигнального провода;
- неполярный конденсатор подключается между сигнальным проводом и массой, после резистора, со стороны разъема датчика.
Принцип работы имитатора прост: сопротивление в сигнальной цепи снижает ток, поступающий со второго датчика кислорода, а конденсатор сглаживает его пульсации. В итоге ЭБУ инжектора «думает», что катализатор функционирует, и содержание кислорода в выхлопе в пределах нормы.

Схема обманки лямбда-зонда своими руками
Для получения корректного сигнала (формы импульсов) нужно подобрать такие детали:
- неполярный пленочный конденсатор от 1 до 5 мкФ;
- резистор от 100 кОм до 1 МОм с рассеиваемой мощностью 0,25–1 Вт.
Для упрощения можно сначала использовать подстроечный резистор с таким диапазоном, чтобы подобрать подходящее значение сопротивления. Самая распространенная схема – с резистором на 1 МОм и конденсатором на 1 мкФ.
Подключать обманку нужно в разрыв жгута проводов датчика, при этом желательно подальше от горячих элементов выхлопа. Чтобы защитить радиодетали от влаги и грязи, их лучше поместить в корпус и залить герметиком или эпоксидной смолой.
Микропроцессорная плата в разрыв проводки лямбда-зонда
Электронная обманка лямбда-зонда на микроконтроллере нужна в двух случаях:
- подмена показаний первого (или единственного) датчика кислорода при езде на ГБО 2 или 3 поколения;
- подмена показаний второй лямбды на авто с Евро-3 и выше без катализатора.
Собрать эмулятор датчика кислорода на микроконтроллере своими руками для ГБО можно, используя такой набор радиодеталей:
- интегральную схему NE555 (главный контроллер, генерирующий импульсы);
- конденсаторы 0,1; 22 и 47 мкФ;
- резисторы на 1; 2,2; 10, 22 и 100 кОм;
- светодиод;
- реле.

Электронная обманка лямбда зонда своими руками – схема для ГБО
Описанная выше обманка подключается через реле в разрез сигнального провода между датчиком кислорода и ЭБУ. При работе на газе реле включает в цепь эмулятор, генерирующий поддельные сигналы датчика кислорода. При переходе на бензин кислородный датчик с помощью реле подключается к ЭБУ напрямую. Таким образом достигается одновременно и нормальное функционирование лямбды на бензине, и отсутствие ошибок на газе.
Если покупать готовый эмулятор первого лямбда-зонда для ГБО – он обойдется примерно в 500–1000 рублей.
Сделать электронную обманку лямбда-зонда для имитации показаний второго датчика тоже можно своими руками. Для этого понадобятся:
- резисторы на 10 и 100 Ом (2 шт.), 1; 6,8; 39 и 300 кОм;
- конденсаторы на 4,7 и 10 пФ;
- усилители LM358 (2 шт.);
- диод Шоттки 10BQ040.
Электрическая схема указанного эмулятора приведена на изображении. Принцип работы обманки заключается в изменении выходных показаний первого кислородного датчика и их передачи в ЭБУ под видом показаний второго.

Схема простого электронного эмулятора второго лямбда-зонда
Приведенная схема – универсальная, позволяет имитировать работу как титановых, так и циркониевых датчиков кислорода.
Готовый эмулятор второго лямбда-зонда на базе микроконтроллера обойдется от 1 до 5 тысяч рублей, в зависимости от сложности.
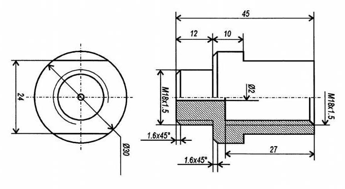
Чертеж механической обманки

Чертеж механической обманки лямбда-зонда для многих циркониевых датчиков под Евро-3: для увеличения нажмите
Механическую обманку лямбда-зонда можно использовать на авто с удаленным катализатором и исправным вторым (нижним) датчиком кислорода. Ввертыш-пустышка с отверстием нормально работает на машинах класса Евро-3 и ниже, датчики которых не очень чувствительные. Механическая обманка лямбда-зонда, чертеж которой изображен на иллюстрации, относится к такому типу.
Для Евро-4 и выше нужна обманка с миниатюрным каталитическим нейтрализатором внутри. Он будет очищать газы непосредственно в зоне датчика, тем самым имитируя работу отсутствующего штатного катализатора. Такую обманку лямбда-зонда своими руками изготовить сложнее, так как для нее нужно катализирующее вещество.
Втулка с мини-катализатором
Для изготовления механической обманки лямбда-зонда своими руками потребуются токарный станок и умение работать с ним, а также:
- болванка бронзы или жаропрочной нержавейки примерно 100 мм в длину и 30–50 мм в диаметре;
- резцы (отрезной, расточной и резьбонарезной);
- метчик и плашка М18х1,5 (вместо резцов для нарезания резьбы);
- каталитический элемент.
Главная трудность – поиск каталитического элемента. Проще всего вырезать его из наполнителя сломанного катализатора, выбрав относительно целый его участок.
Окисление угарного газа и недогоревших углеводородов в катализаторе обеспечивает не сама керамика, а нанесенное на нее напыление благородных металлов (платины, родия, палладия). Поэтому обычный керамический наполнитель бесполезен – он служит только как изолятор, уменьшающий поступление газов к датчику, что не дает необходимого эффекта.
В механической обманке второго лямбда зонда своими руками можно использовать остатки уже развалившегося каталитического нейтрализатора, поэтому не спешите сдавать его скупщикам.
Заводская механическая обманка лямбда-зонда с мини-катализатором стоит 1–2 тысячи рублей.
Ввертыш с отверстием малого диаметра
Ввертыш обманки лямбда-зонда изготавливается точно так же, как и мини-катализатор. Для этого нужны:
- токарный станок;
- болванка из бронзы или жаропрочной нержавейки;
- набор резцов и/или метчик и плашка М18х1,5.

Механическая обманка лямбда зонда своими руками: чертеж ввертыша
Разница в конструкции заключается только в том, что каталитического наполнителя внутри нет, а отверстие в нижней части имеет меньший (2–3 мм) диаметр. Оно ограничивает приток выхлопных газов к датчику кислорода, тем самым обеспечивая нужные показания.
Сколько служит обманка лямбда-зонда
Механические обманки датчика кислорода без каталитического наполнителя – самые простые и долговечные, но не очень эффективные. Они без проблем работают на моторах экологического класса Евро-3, оснащенных низкочувствительными лямбда-зондами. Сколько служит обманка лямбда-зонда такого типа – зависит только от качества материала. При использовании бронзы или жаропрочной стали она может быть вечной, но иногда (раз в 20–30 тыс. км) требует чистки отверстия от нагара.
Для более новых авто нужна обманка с мини-катализатором внутри, которая тоже имеет ограниченный ресурс. После выработки каталитического наполнителя (происходит за 50100 тыс. км) она перестает справляться с возложенными задачами и превращается в полный аналог простого ввертыша. В таком случае имитатор нужно менять или наполнить свежим каталитическим материалом.
Электронные обманки теоретически не склонны к поломкам и износу, так как не испытывают механических нагрузок. Но ресурс радиодеталей (резисторы, конденсаторы) ограничен, со временем они деградируют и теряют свойства. Эмулятор может преждевременно выйти из строя, если из-за нарушения герметичности на компоненты попала пыль или влага.
| Тип обманки ЛЗ | Совместимость с автомобилями | Как обслуживать обманку ЛЗ | Как долго живет обманка ЛЗ (как часто менять) |
|---|---|---|---|
| Механическая (ввертыш) | 1999–2004 (производство ЕС), до 2013 (производство России), автомобили до Евро-3 включительно. | Периодически (раз в 20–30 тысяч км) может потребоваться очистка отверстия и полости датчика от нагара. | Теоретически вечная (просто механический переходник, ломаться нечему). |
| Механическая (мини-катализатор) | С 2005 (ЕС) или 2013 (Россия) по н. в., класс Евро-3 и выше. | После отработки ресурса требует замены или смены каталитического наполнителя. | 50–100 тыс. км, в зависимости от качества наполнителя. |
| Электронная (плата) | Независимые эмуляторы до 2005 (ЕС) или до 2013 (Россия) года выпуска, экологический класс Евро-2 или Евро-3 (куда имеет смысл устанавливать ГБО 2 и 3 поколения). Эмуляторы, использующие показания первого ДК для обманки второго лямбда-зонда – с 2005 (ЕС) или 2008 (Россия) по н. в., класс Евро-3 и выше, но возможны исключения, важен правильный подбор номиналов. | Обслуживания не требует, если расположена в сухом чистом месте и изолирована от влаги и грязи. | Зависит от качества электронных компонентов. Должно хватить на весь срок службы авто, но может понадобиться перепайка электролитов и/или резисторов, если использованы некачественные комплектующие. |
| Электронная (резистор и конденсатор) | Авто с 2005 (ЕС) или 2008 (Россия) года, класс Евро-3 и выше. | Периодически стоит осматривать на предмет целостности элементов. | Зависит от качества радиодеталей и правильного подбора номиналов. Если компоненты подобраны верно, не перегреваются и не намокают, может хватить на весь срок службы авто. |
Какая обманка лямбды лучше
Однозначно ответить на вопрос “Какая обманка лямбды лучше?” невозможно. У каждого устройства свои плюсы и минусы, разная совместимость с определенными моделями. Какую обманку лямбда-зонда лучше поставить – зависит от цели данной манипуляции и конкретных условий:
- механические обманки действуют только вместе с рабочим датчиком кислорода;
- для имитации нормальной работы кислородного датчика на старом ГБО подходят только электронные обманки с микроконтроллером (генератором импульсов);
- на старые авто класса не выше Евро-3 лучше ставить обманку-ввертыш – дешево и надежно;
- на более современных автомобилях (Евро-4 и выше) лучше использовать мини-катализаторы;
- вариант с резистором и конденсатором более дешевый, но менее надежный вид обманки для новых авто;
- эмулятор второго лямбда-зонда на микроконтроллере, работающий от первого – лучший вариант для авто с вышедшим из строя или удаленным вторым датчиком кислорода.
Если говорить в общем, то именно мини-катализатор – лучший вариант для исправного ДК, потому что он с высокой достоверностью имитирует работу штатного нейтрализатора. Микроконтроллер – вариант более сложный и дорогостоящий, а потому уместен только когда штатного датчика вообще нет или его надо обмануть для езды на газе.
-
19 октября 2021
верно. и его можно подстроить по вашей схеме.
-
19 октября 2021
Спасибо что поделились опытом!
-
19 октября 2021
Просто урезается-уменьшается сигнал идущий в ЭБУ авто, до Стандартного сигнала с исправном катализатором.....
-
19 октября 2021
Конденсатор 1мкФ не полярный переменное сопротивление 1мОм(на моем авто, я думаю поменять на меньший номинал 250- 300 кОм, для более лучшей регулировки). 1000км без ошибок. Можно конечно поставить новый катализатор, но его хватает на 100 тысяч км максимум и ценник конский. Можно прошить под евро 2(ценник тоже 3-5т.₽),но тогда есть шанс нарваться на ретивого техосмотрщика или ГИБДДшника. Не факт что после перепрошивки авто будет адекватно работать. Врезку сделал в штатную проводку до разъёма второго датчика кислорода все контакты залил термоклем и сверху термоусадка. Сопротивление я вывел под капот, но скорее всего перенесу в салон. Цена мягко говоря три копейки....
-
13 октября 2021
Делали обманку по схеме выше?
-
13 октября 2021
Правильно так и сделать, но в наших реалиях делают обманки и переходят на евро 2.
-
13 октября 2021
Согласен с вами. Вообще лучше приобрести обманку эмулятор на микроконтроллере и настроить ее.
-
28 сентября 2021
Все работает не надо пиликать я впаял резистор и кондик, и все чек не горит больше!
-
18 сентября 2021
Статью прочитал. Вывод: Заменить катализатор. Проблемы решены.
-
11 сентября 2021
А как же входное сопротивление контролера, того к которому подключен выход лямды? В итоге получается делитель напряжения, и соответственно напряжение падает...
-
27 августа 2021
Обманка с мини катом прекрасно работает на авто с евро-5
-
11 августа 2021
Эта схема для второй лямбды после катализатора, до ката она работать не будет.
-
10 августа 2021
В который раз попадается совет по изготовлению обманки, состоящий из конденсатора и сопротивления, и каждый раз это предложение вызывает непонимание - как эта схема работает? Оригинальный штатный датчик, при нагревании термоэлемента, вырабатывает электрический ток, который меняет свою величину в зависимости от нагрева, и этот сигнал считывается ЭБУ, после чего происходит корректировка работы форсунок. Здесь всё понятно, а вот как работает "обманка, состоящая из сопротивления, врезанного в цепь сигнального провода, идущего в ЭБУ - ничего не понятно. Откуда и каким образом вырабатывается сигнал, поступающий на вход ЭБУ? Кто нибудь сможет мне объяснить сию для меня загадку?
-
6 августа 2021
Схемы и номиналы рисовал человек очень далекий от электроники ))
-
10 мая 2021
Ни хорошо, ни плохо. Чек обычно загорается не сразу. Что за автомобиль у вас? После удаления катализатора прошивали?
-
10 мая 2021
а если чек не горит после удаления катализатора,это хорошо или плохо?
-
27 апреля 2021
"сопротивление в сигнальной цепи снижает напряжение", - Автор установка сопротивления снизит ток, а не напряжение. Внимательно изучите закон Ома. За одно и узнаете что произойдёт с напряжением.
-
26 апреля 2021
Просто обманки бывают не качественные и могут не корректно работать, лучше брать обманку с мини катализатором внутри.
-
26 апреля 2021
Пройденный этап.. На евро 4 эти творения не катят. Нужно прошивать под евро 2,если катализатор удалён.
-
25 апреля 2021
Кому-то путь со станком проще, а с электроникой сложнее.
-
24 апреля 2021
Обманка ставится не из за неисправности датчика, а из за удаления катализатора, что бы датчик работал так, как будто катализатор есть.
-
24 апреля 2021
Не надо обманывать себя, нужно менять датчик.
-
24 апреля 2021
Афтор, токарный станок, а может лучше сразу фабрику себе заиметь??? чтобы изготовить одну херню, которая лечится прошивкой!!!!
